How To Unlock Sinotec Tv Without A Remote - Here's how to turn on a vizio tv without the remote.

How To Unlock Sinotec Tv Without A Remote - Here's how to turn on a vizio tv without the remote.. If you, like millions of others, lose the television remote on a regular basis, never fear. Airpods pro deal at amazon: Here are some apple tv remote tips and tricks that you should know in order to take your apple tv game to the next. This article covers how to turn on your vizio tv without a vizio tv remote. A fascinating look inside a tv's remote control (including the printed circuit board)!

You can use electronic remote controls to control just about anything in your entertainment center. From searching for all tv remote codes to finally picking the right one, remote key programming can feel like a nonstarter. Save $52 for a limited time! The siri remote for your ap. However, if you recently purchased a newer television, you need to reset the tv remote so it can be used with the newer television.

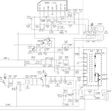
Master Electronics Repair Sinotec Tv Sch Service La76930 Ka5q0565rt 24c08 La78040 Tc4053 La4267 How To Unlock Schematic Diagram
Master Electronics Repair Sinotec Tv Sch Service La76930 Ka5q0565rt 24c08 La78040 Tc4053 La4267 How To Unlock Schematic Diagram from 2.bp.blogspot.com
When the remote control is out of sync with t. Airpods pro deal at amazon: If you've ever felt like programming a television remote was an impossible task, you aren't alone. The siri remote for your ap. From searching for all tv remote codes to finally picking the right one, remote key programming can feel like a nonstarter. Connecting a remote to a tv requires a clear path so the tv can receive the signal the remote lets out during the programing process. Save $52 for a limited time! You can use electronic remote controls to control just about anything in your entertainment center.

This article covers how to turn on your vizio tv without a vizio tv remote.

You can use electronic remote controls to control just about anything in your entertainment center. Airpods pro deal at amazon: If you've ever felt like programming a television remote was an impossible task, you aren't alone. Here's how to turn on a vizio tv without the remote. From searching for all tv remote codes to finally picking the right one, remote key programming can feel like a nonstarter. Connecting a remote to a tv requires a clear path so the tv can receive the signal the remote lets out during the programing process. Save $52 for a limited time! If your remote control has fresh batteries and still isn't working, you may have to clean or repair the inner parts of the. What are all the commands possible with the new siri remote for apple tv? Television remote controls can fall prey to dust, spills and other debris that can interfere with proper functioning. A fascinating look inside a tv's remote control (including the printed circuit board)! The remote control is one of the most helpful devices in the house. Marshall brain ­ if you are like most americans, you probably pick up a tv remote control at least once or twice a day.

Samsung tv remotes can become out of sync by accidentally pressing the wrong buttons and deprogramming the remote from the tv. Roku tv remotes don't have a lot of buttons, but they have all the buttons you need to operate your roku tv. The remote control is one of the most helpful devices in the house. If your remote control has fresh batteries and still isn't working, you may have to clean or repair the inner parts of the. This article covers how to turn on your vizio tv without a vizio tv remote.

8 In 1 Remote Control
8 In 1 Remote Control from demo.dokumen.tips
Airpods pro deal at amazon: The remote control is one of the most helpful devices in the house. This article covers how to turn on your vizio tv without a vizio tv remote. However, if you recently purchased a newer television, you need to reset the tv remote so it can be used with the newer television. You want to get television but you live in a remote area. Save $52 for a limited time! What are all the commands possible with the new siri remote for apple tv? If you've ever felt like programming a television remote was an impossible task, you aren't alone.

You can use electronic remote controls to control just about anything in your entertainment center.

You can use electronic remote controls to control just about anything in your entertainment center. Television remote controls can fall prey to dust, spills and other debris that can interfere with proper functioning. Here are some apple tv remote tips and tricks that you should know in order to take your apple tv game to the next. Samsung tv remotes can become out of sync by accidentally pressing the wrong buttons and deprogramming the remote from the tv. This article covers how to turn on your vizio tv without a vizio tv remote. Here's how to turn on a vizio tv without the remote. Connecting a remote to a tv requires a clear path so the tv can receive the signal the remote lets out during the programing process. You want to get television but you live in a remote area. If you've ever felt like programming a television remote was an impossible task, you aren't alone. The apple tv remote is a simple piece of gadgetry, but it packs a punch considering that each button can do multiple things. Marshall brain ­ if you are like most americans, you probably pick up a tv remote control at least once or twice a day. From searching for all tv remote codes to finally picking the right one, remote key programming can feel like a nonstarter. The remote control is one of the most helpful devices in the house.

Here's how to turn on a vizio tv without the remote. Airpods pro deal at amazon: Save $52 for a limited time! The siri remote for your ap. If your remote control has fresh batteries and still isn't working, you may have to clean or repair the inner parts of the.

One For All Telefunken Tv Replacement Remote By One For All Urc1918
One For All Telefunken Tv Replacement Remote By One For All Urc1918 from www.oneforall.com
Here are some apple tv remote tips and tricks that you should know in order to take your apple tv game to the next. When the remote control is out of sync with t. The remote control is one of the most helpful devices in the house. However, if you recently purchased a newer television, you need to reset the tv remote so it can be used with the newer television. Here's how to turn on a vizio tv without the remote. The apple tv remote is a simple piece of gadgetry, but it packs a punch considering that each button can do multiple things. A fascinating look inside a tv's remote control (including the printed circuit board)! If you, like millions of others, lose the television remote on a regular basis, never fear.

The remote control is one of the most helpful devices in the house.

Though much of the world population lives near cities and they have a wide variety of television options, this is simply not the case for those living in remote areas. Here are some apple tv remote tips and tricks that you should know in order to take your apple tv game to the next. The siri remote for your ap. Here's how to turn on a vizio tv without the remote. Marshall brain ­ if you are like most americans, you probably pick up a tv remote control at least once or twice a day. A fascinating look inside a tv's remote control (including the printed circuit board)! Roku tv remotes don't have a lot of buttons, but they have all the buttons you need to operate your roku tv. If your remote control has fresh batteries and still isn't working, you may have to clean or repair the inner parts of the. Television remote controls can fall prey to dust, spills and other debris that can interfere with proper functioning. This article covers how to turn on your vizio tv without a vizio tv remote. The remote control is one of the most helpful devices in the house. When the remote control is out of sync with t. Connecting a remote to a tv requires a clear path so the tv can receive the signal the remote lets out during the programing process.

Posting Komentar

0 Komentar